

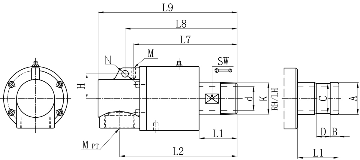
| Model | K | M | d | L1 | L2 | L7 | L8 | L9 | M | N | H | SW | ·¨À¼Ê½±í¹Ü³ß´ç¶ÔÕÕ±í | |||
| A | B | C | D | |||||||||||||
| 15A | R1/2¡± | Rc1/2¡± | 13 | 35 | 113 | 104 | / | 128 | M6 | / | / | 22 | / | / | / | / |
| 20A | R3/4¡± | Rc3/4¡± | 17 | 42 | 132 | 121 | / | 150 | M6 | / | / | 26 | 26 | 11 | 24 | 16 |
| 25A | R1¡± | Rc1¡± | 21 | 42 | 138 | 124 | / | 159 | M6 | / | / | 32 | 34 | 12 | 32 | 18 |
| 32A | R1-1/4¡± | Rc1-1/4¡± | 30 | 50 | 160 | 141 | / | 188 | M8 | / | / | 41 | 40 | 13 | 38 | 20 |
| 40A | R1-1/2¡± | Rc1-1/2¡± | 36 | 57 | 176 | 155 | 168 | 206 | M6 | 10 | 37 | 46 | 47.8 | 13 | 45 | 20 |
| 50A | R2¡± | Rc2¡± | 46 | 70 | 202 | 175 | 189 | 240 | M8 | 10 | 44 | 57 | 60 | 16 | 57 | 24 |
¹ØÓÚ×ðÁú¼¯ÍŹÙÍø
×ðÁú¼¯ÍŹÙÍø¼ò½é ÆóÒµÎÄ»¯ ·¢Õ¹¹ý³Ì ¼¼Êõ¸Ä¸ï ³ö²úÖÊÁ¿ ÆóÒµÈÙÓþ ÊÓÆµÖÐÐIJúÆ·ÖÐÐÄ
Ðýת½ÓÍ· ½ðÊôÈí¹Ü ʯīÅä¼þÐÂÎÅÖÐÐÄ
¹«Ë¾ÐÂÎÅ ÐÐÒµÐÂÎÅ Õ¹»áÐÅÏ¢ ¼¼ÊõÎÄÕ¼¼ÊõÖ§³Ö
²úƷĿ¼ ×°ÖÃ×ÊÁÏÈËÁ¦×ÊÔ´
Åàѵ»úÔì ·¢Õ¹Æ½Ì¨ н³ê¸£Àû ÕÐÆ¸ÐÅÏ¢¹Ø×¢ÎÒÃÇ

ÁªÏµ×ðÁú¼¯ÍŹÙÍø
È«¹úͳһ·þÎñÈÈÏßCopyright ?×ðÁú¼¯ÍŹÙÍø °æÈ¨ËùÓÐ ÃöICP±¸05026600ºÅ Öлú³ß¶È»¯×êÑÐÔº ÍøÕ¾½¨É裺¿ÆÎ°ÍøÂç