尊龙集团官网

首页- 尊龙集团中国官网入口
首页- 尊龙集团中国官网入口

旋转接头

首页 - 产品展示

big20224711344547

MXB2型 80A 双通路(内管旋转式)

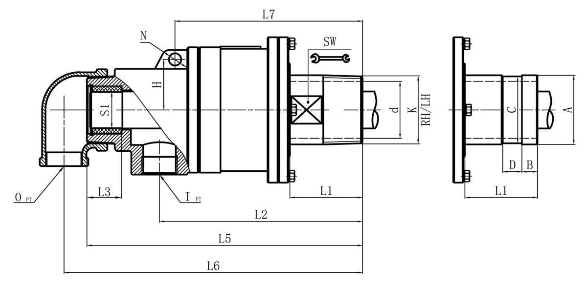
型号:MXB2
表管:法兰
特点:合用于水、扰淄介质 ; 平面密封设计 ; 多弹簧设计 ; 弹簧表置平衡式设计 ;碳石墨密封设计 ;平衡式非金属组合摩擦设计或平衡式非金属摩擦副设计 ;铸铁壳体。

技术参数:
合用介质 水、扰淄
最高温度 ≤100℃(水)、≤300℃(扰淄)
最高压力 ≤1.0MPa
最高转快 80A  ≤ 500rpm

产品征询 返回列表

销售服务热线:

0595-8686 1188

首页- 尊龙集团中国官网入口
Model K M I O S S1 D1 L1 L2 L3 L5 L6 L7 L8 N SW H 法兰式表管尺寸对照表
A B C D
80A R3" Rc3" Rc2-1/2" Rc1-1/2" Rp1-1/2" 47 72 94 263 45 357 387 243 405 16 85 66 90 20 887 25

如属规格品表,本公司可共同要求造作。
规格尺寸如有批改,恕不另行通知。

Copyright ?尊龙集团官网 版权所有 闽ICP备05026600号 中机尺度化钻研院 网站建设:科伟网络

【网站地图】