尊龙集团官网

首页- 尊龙集团中国官网入口
首页- 尊龙集团中国官网入口

旋转接头

首页 - 产品展示

big20224161723421416

MXQCO型 单通路

型号:MXQCO
表管:法兰
特点:合用于蒸汽、扰淄介质; 双无油轴承支持; 优化密封环直径; 可更换性密封底盖; 最大化轴承间距。

技术参数:
合用介质 蒸汽、扰淄
最高温度 ≤350℃(扰淄);≤280℃(蒸汽)
最高压力 ≤1.8MPa
最高转快 ≤200rpm

产品征询 返回列表

销售服务热线:

0595-8686 1188

首页- 尊龙集团中国官网入口


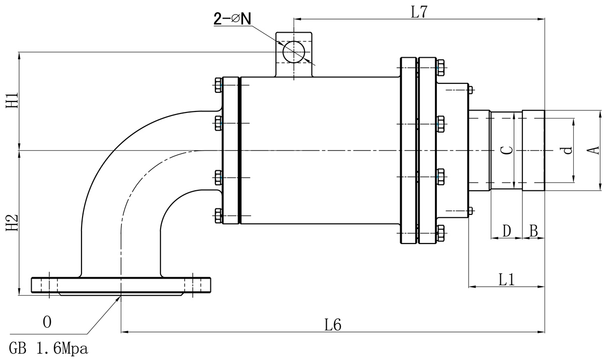
Model O d L1 L6 L7 N H1 H2 法兰式表管尺寸对照表
A B C D
65A DN65 58 75 415 230 18 106 165 74 19 70 24
80A DN80 72 85 485 289 24 110 160 87 25 84 24
90A DN90 80 100 505 300 25 116 170 100 25 96 30
100A DN100 90 105 600 340 25 133 185 114 25 109 35
125A DN125 125 120 716 450 30 158 215 148 25 142 35
150A DN150 140 130 810 430 30 178 260 166 30 160 38

如属规格品表,本公司可共同要求造作。
规格尺寸如有批改,恕不另行通知。 

Copyright ?尊龙集团官网 版权所有 闽ICP备05026600号 中机尺度化钻研院 网站建设:科伟网络

【网站地图】