尊龙集团官网

首页- 尊龙集团中国官网入口
首页- 尊龙集团中国官网入口

旋转接头

首页 - 产品展示

big202110191736226756

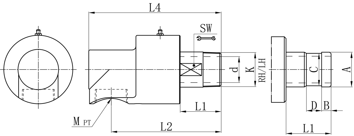
RH型 单通路

型号:RHD、RHDF
表管:螺纹或法兰
特点:平面密封设计; 高精度动轴承; 不锈钢表管; 最佳密封共同面; 高转快、低扭矩; 长命命、靠得住性高。

技术参数:
合用介质 水、油、空气
最高温度 ≤120℃(水)、≤260℃(油)
最高压力

6A-50A≤1.0MPa

65A-80A≤0.8MPa

最高转快

6A-50A≤1500rpm

65A-80A≤800rpm


产品征询 返回列表

销售服务热线:

0595-8686 1188

首页- 尊龙集团中国官网入口


Model K M d L1 L2 L4 SW 法兰式表管尺寸对照表
A B C D
15A R1/2" Rc1/2" 13 35 99 115 20 / / / /
20A R3/4" Rc3/4" 17 38 105 125 26 26 11 24 16
25A R1" Rc1" 21 41 116 137 31 34 12 32 18
40A R1-1/2" Rc1-1/2" 36 53 148 177 46 47.8 13 45 20
65A R2-1/2” Rc2-1/2” 60 79 214 261 80 74 19 70 24
80A R3” Rc3” 72 85 231 285 87 87 23 84 24

如属规格品表,本公司可共同要求造作。
规格尺寸如有批改,恕不另行通知。  

Copyright ?尊龙集团官网 版权所有 闽ICP备05026600号 中机尺度化钻研院 网站建设:科伟网络

【网站地图】