尊龙集团官网

首页- 尊龙集团中国官网入口
首页- 尊龙集团中国官网入口

旋转接头

首页 - 产品展示

big202110201123224645

MXQL型 单通路

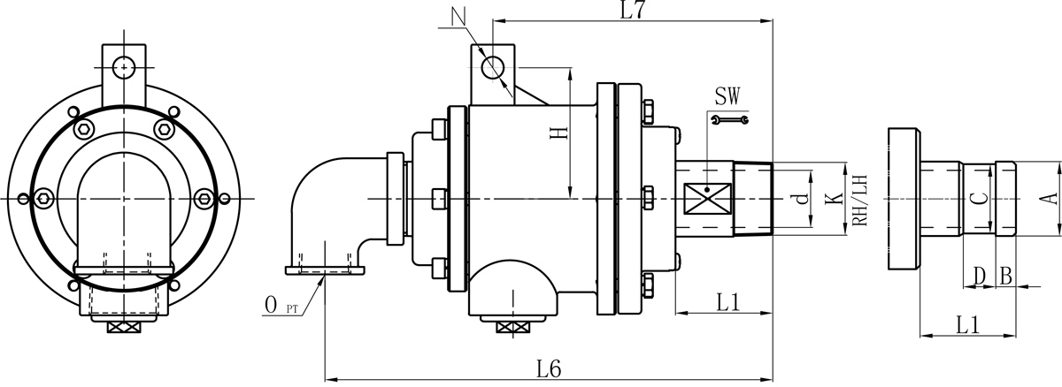
型号:MXQL
表管:螺纹或法兰
特点:正球面密封 ; 尺度浸锑石墨密封技术 ; 多路无油轴承支持 ; 支持间距最大化 ; 精密铸铁壳体 ; 双通路设计 ; 可自动调心 ; 分体式设计 ; 密封磨损刻度线,可预防性守护设计 ; 旋转轴表表经耐磨损、耐侵蚀处置 ; 内管装置轻便 ; 易于更换。

技术参数:
合用介质 蒸汽、扰淄
最高温度 ≤220℃(蒸汽)、≤350℃(扰淄)
最高压力 ≤1.8MPa
最高转快 25A-50A≤200rpm

产品征询 返回列表

销售服务热线:

0595-8686 1188

首页- 尊龙集团中国官网入口


Model K O d L1 L6 L7 N H SW 法兰式表管尺寸对照表
A B C D
25A R1" Rc1" 23.5 53 236 153 12 66 32 34 12 32 18
32A R1-1/4" Rc1-1/4" 30 55 267 171 14 78 39 40 13 38 20
40A R1-1/2" Rc1-1/2" 36 65 288 187 14 85 46 47.8 13 45 20
50A R2" Rc2" 45 73 327 213 14 93 57 60 16 57 24

如属规格品表,本公司可共同要求造作。
规格尺寸如有批改,恕不另行通知。 

Copyright ?尊龙集团官网 版权所有 闽ICP备05026600号 中机尺度化钻研院 网站建设:科伟网络

【网站地图】