尊龙集团官网

首页- 尊龙集团中国官网入口
首页- 尊龙集团中国官网入口

技术文章

首页 - 新闻资讯 - 技术文章

若何让您的设备赶上对的旋转接头?

颁布日期: 2018-08-17    浏览次数: 8945    新闻编纂: 

  近年来,随着各产业的不休发展,对旋转接头的要求也愈来愈高,若何为设备遴选一款相宜的旋转接头,让出产线运作起来更安心省力,是每个用户的但愿与宿愿,今天,尊龙集团官网科技便与各人分享几条关于若何为设备选择相宜的旋转接头的根基步骤,让您的设备赶上对的旋转接头 。


  一、技术参数简直认

  选择相宜的旋转接头,首先要确认明显旋转接头的技术参数(使用参数)是根基保险的前提,它蕴含介质、温度、转快和压力 。即所想要选购的旋转接头是用来通什么介质,水、油、蒸汽或空气等流体介质?介质的温度是几多?管路的压力与设备旋转的转快是几多?通过这四个基础技术身分,则大体确认了合用的旋转接头类型 。


  二、介质流向简直认

  旋转接头的技术参数确认好之后,接下来还要确认介质流向,旋转接头的介质流向分为单通路、双通路及多通路,它是凭据与旋转接头衔接设备的结构来决定的:

  1.若是设备的结构决定了输入介质与输出介质别离在设备的两侧实现,那么则选择单通路型旋转接头 。

  单通路

  用于向旋转辊、滚筒、气缸等的一端供给冷却水、油或者蒸汽等流体介质,从反向端排出 。


首页- 尊龙集团中国官网入口

  2.若是设备的结构决定了输入介质与输出介质在设备的统一侧实现,那么则选择双通路型旋转接头 。

  注:双通路型旋转接头还需确认内管大局,即固定式亦或旋转式,凭据分歧工况前提,进行针对性配型 。

  ①双通路内管固定式

  用于向旋转辊、气缸或者滚筒之中供给蒸汽或者水、油,从统一端排出 。


首页- 尊龙集团中国官网入口

  ②双通路内管固定式

  此型分歧处为烘缸內设有虹吸管,冷凝水通过虹吸管排出,此型多用于蒸汽 。


首页- 尊龙集团中国官网入口

  ③双通路内管旋转式

  向旋转中的辊、气缸、滚筒等之中供给或者排出水、蒸汽、热水或者扰淄时,内管也必须一路旋转的情况下使用 。


首页- 尊龙集团中国官网入口

  3.若是设备要求同时输送多种介质或将介质输出送到多个地位时应试虑选用多通路型旋转接头 。

首页- 尊龙集团中国官网入口

多通路旋转接头之一

  三、旋转接头衔接大局及尺寸简直认

  旋转接头是将流体介质由固定管路输送到旋转或摆旋一个角度的管路、设备中的流体动密封装置,在动态设备与静态管路中央承担着衔接、密封的沉要角色,其衔接大局及尺寸,最终决定着采办得手的旋转接头是否能“配得上”您的设备 。

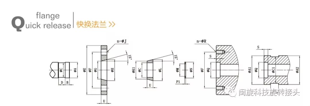
  因而首先凭据设备与旋转接头衔接结构大局来确定是螺纹衔接还是法兰衔接,其中若是选择螺纹式衔接的旋转接头,则需分辨表螺纹或内螺纹,并明确设备的旋转方向(若在装置旋转接头的一侧观察到设备是顺使仉运行,则旋转接头应选左旋螺纹,反之则同理),若是选择法兰式衔接,则需确认法兰衔接大局,大体可分为内螺纹法兰衔接、快换法兰式衔接(卡口式法兰)、焊接法兰式衔接、整体法兰式衔接 。


首页- 尊龙集团中国官网入口


首页- 尊龙集团中国官网入口

  确认完旋转接头的衔接方式后,还需确认其衔接尺寸,即旋转接头与设备的衔接尺寸,双通路旋转接头还需确认内管尺寸 。若为螺纹衔接旋转接头需确认其通径、表径及牙距;若为法兰式衔接,则凭据法兰衔接大局确认相应的尺寸 。

  例:快换法兰式衔接确认尺寸图

首页- 尊龙集团中国官网入口

  此表,还需提供旋转接头与金属软管相连的接口大局及尺寸 。

首页- 尊龙集团中国官网入口

  四、其它思考成分

  选择一款相宜的旋转接头,除确认以上三大身分表,同时也可思考其它综称身分,如旋转接头的品牌、造作商的服务、售后、交期等成分,以使旋转接头阐扬到最大工效并用得快意、舒心 。

  最后,当您要选择或采办旋转接头时,肯定要明显的知路旋转接头用在哪里、技术参数(若旋转接头上有标牌亦可直接报予造作厂,更便于直接选型参照)、有无其他特殊要求,与有关方多多沟通,以期选购到一款最相宜的旋转接头 。

首页- 尊龙集团中国官网入口

  每一段相遇,都是命运中最好的铺排,为您的设备提供安全输送流体介质的最佳产品,是我们持之致力的方向,爱和信赖,都要用心经营,用心守候,尊龙集团官网科技愿为您的出产线保驾护航,一路与您走幸福路 。

Copyright ?尊龙集团官网 版权所有 闽ICP备05026600号 中机尺度化钻研院 网站建设:科伟网络

【网站地图】